10KV高壓電容補償柜詢價,多少錢一臺

10KV高壓電容補償柜詢價,多少錢一臺?電容補償柜的價格,是根據電容補償容量來計算的,容量越大對應的元器件參數就相對大,所以價格是不固定的。安徽得潤電氣技術有限公司可以根據您的補償容量算出準確的優惠價格。
MSCHA高壓無功自動補償裝置
一、產品概述
MSCHA型高壓無功自動補償裝置,是根據配電變壓器無功負荷狀況,自動分步投切并聯在配電變壓器3~20kV母線的電容器組,提供相應的容性無功功率。該裝置突破了原電力系統中電容器組使用整組進行固定補償投入時造成過補而切除后母線無功功率又補償不足的缺點,使母線功率因數大幅度提高并能穩定在一定的水平,從而穩定了系統電壓、提高了變壓器的利用率。裝置由并聯電容器、串聯電抗器、電壓互感器、避雷器、投切設備、控制和保護裝置等組成。
二、型號及其含義
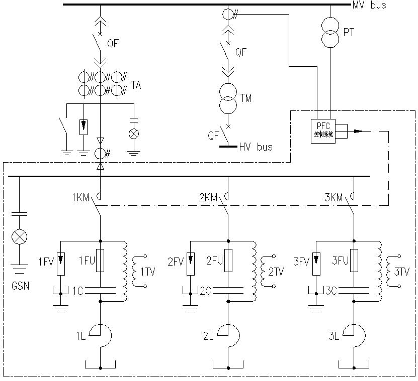
三、電氣原理圖
TM:配電變壓器 QF:斷路器
KM:真空接觸器 FV:氧化鋅避雷器
TV:電壓互感器 FU:噴逐式熔斷器
L:鐵芯串聯電抗 C:并聯電力電容器
PFC:無功功率控制器
GSN:高壓帶電顯示閉鎖裝置
說明:1.虛線框內為我公司提供的設備;
2.控制器采樣取母線A、C相電壓,進線柜B相電流。
四、產品特色
單元積木式設計,柜與柜之間用硬母排聯接,運行可靠,并且可擴展柜體數增加容量。
毎套裝置在各種工況都要進行諧振校驗,選擇單組容量時盡量避開諧振放大區,或選擇適當的電抗率,以避開諧振條件,確保裝置在各種工況下都能安全運行。
裝置采用先進的無功功率控制器,能實時在線監測系統的無功功率因數,實時跟蹤投切,還可根據用戶要求配備RS232/485 通訊接口,將整個裝置的運行數據上傳至監控系統。
除采用噴逐式熔斷器或內熔絲作為單臺電容器的過流保護外,還設有零序電壓保護。
五、正常使用條件
最高運行電壓≤1.1Un;最大過載電流≤1.3ln;
周圍環境溫度-25~+45℃;室內相對濕度不超過90%(溫度為25℃時);
安裝地點海拔高度不超過2000m;沒有導電性塵埃、火災、爆炸危險;
沒有足以腐蝕金屬和破壞絕緣的氣體;沒有劇烈的振動,垂直傾斜度不超過5度。
六、產品規格、型號、參數、柜體尺寸
以下是選用三相電容器(最大單步容量在500kvar推薦選用)
裝置型號 | 額定容量(kvar) | 額定電流 (A) | 每步容量 (kvar) | 柜體數量 | 柜體總尺寸 Wx Dx H(mm) |
MSCHA6(10)- 500/3 | 500 | 43.7(26.2) | 100,150,250 | 3 | 3200x1500x2400 |
MSCHA6(10)-600/3 | 600 | 52.5(31.5) | 100,200,300 | 3 | 3200x1500x2400 |
MSCHA6(10)- 700/3 | 700 | 61.2(36.7) | 100,200,400 | 3 | 3200x1500x2400 |
MSCHA6(10)-800/3 | 800 | 70.0(42.0) | 100,250,450 | 3 | 3200x1500x2400 |
MSCHA6(10)-900/3 | 900 | 78.7(47.2) | 150,300,450 | 3 | 3200x1500x2400 |
MSCHA6(10)-1000/3 | 1000 | 87.5(52.5) | 200,300,500 | 3 | 3200x1500x2400 |
MSCHA6(10)-1100/4 | 1100 | 96.2(57.7) | 100,200,300,500 | 4 | 4200x1500x2400 |
MSCHA6(10)-1200/4 | 1200 | 105.0(63.0) | 200,200,300,500 | 4 | 4200x1500x2400 |
MSCHA6(10)-1300/4 | 1300 | 113.7(68.2) | 200,300,300,500 | 4 | 4200x1500x2400 |
MSCHA6(10)-1400/4 | 1400 | 122.5(73.5) | 200,300,400,500 | 4 | 4200x1500x2400 |
MSCHA6(10)-1500/4 | 1500 | 131.2(78.7) | 200,400,400,500 | 4 | 4200x1500x2400 |
MSCHA6(10)-1600/4 | 1600 | 140.0(84.0) | 300,400,400,500 | 4 | 4200x1500x2400 |
MSCHA6(10)-1800/4 | 1800 | 157.5(94.5) | 400,400,500,500 | 4 | 4200x1500x2400 |
以下是選用單相電容器(單步容量≥500Kvar 推薦選用)
裝置型號 | 額定容量(kvar) | 額定電流 (A) | 每步容量 (kvar) | 柜體數量 | 柜體總尺寸 Wx Dx H(mm) |
MSCHA6(10)- 1200/3 | 1200 | 105(63) | 150,450,600 | 3 | 3200x1500x2400 |
MSCHA6(10)-1500/3 | 1500 | 131(78.7) | 300,450,750 | 3 | 3200x1500x2400 |
MSCHA6(10)- 1800/3 | 1800 | 157.4(94.5) | 300,600,900 | 3 | 3600x1500x2400 |
MSCHA6(10)-2100/3 | 2100 | 183.7(110.2) | 300,600,1200 | 3 | 3600x1500x2400 |
MSCHA6(10)-2400/3 | 2400 | 210(126) | 600,600,1200 | 3 | 3600x1500x2400 |
MSCHA6(10)-3000/3 | 3000 | 262.4(157.5) | 600,1200,1200 | 3 | 3600x1500x2400 |
MSCHA6(10)-3600/4 | 3600 | 314.9(189) | 600,900,900,1200 | 4 | 4800x1500x2400 |
MSCHA6(10)-4200/4 | 4200 | 367.4(220.4) | 600,900,1200,1500 | 4 | 5100x1500x2400 |
MSCHA6(10)-4800/4 | 4800 | 420(252) | 600,1200,1500,1500 | 4 | 5500x1500x2400 |
MSCHA6(10)-5400/5 | 5400 | 472.4(283.4) | 600,900,1200,1200,1500 | 5 | 6300x1500x2400 |
MSCHA6(10)-6000/5 | 6000 | 524.9(314.9) | 600,1200,1200,1500,1500 | 5 | 6600x1500x2600 |
MSCHA6(10)-6800/5 | 6800 | 357 | 1000,1000,1500,1500,1800 | 5 | 6900x1500x2600 |
MSCHA6(10)-7600/5 | 7600 | 399 | 1000,1500,1500,1800,1800 | 5 | 7200x1500x2600 |
MSCHA6(10)-8400/5 | 8400 | 440.9 | 1500,1500,1800,1800,1800 | 5 | 7500x1500x2600 |
MSCHA6(10)-9000/5 | 9000 | 472.4 | 1800,1800,1800,1800,1800 | 5 | 7500x1500x2600 |
說明:
1.單組最大容量做到1800kvar;
2.上兩表為例舉,分組容量和數量可根據用戶要求設計(但必須校驗諧振容量);
3.裝置毎一步為一個柜體,容量>7000kvar的設備均提供W=1000mm的專用進線柜一臺;
4.電抗器的電抗率一般選配6%,但如果任意組合容量在諧振放大區的,則為其中幾組大容量的電容器組選擇合適的電抗率,以避開諧振條件。
七、訂貨須知 Order instructions
用戶訂貨時,須提供如下資料數據:
1.系統和負載的性質、大小、阻抗特性;
2.產品型號及參數,補償容量,分組數及分組容量;裝置接入點的系統電壓,系統主接線及其運行方式,各運行方式下的最大與最小短路容量。